产品介绍
流量范围:0-180 L/H
压力范围: 0-0.8 MPA
电机功率: 180W,220V / 380V / 420V , 50/60Hz
驱动系统: 两相、三相标准电机或防爆电机
流量控制: 手动控制,
防护等级: IP55
材料
泵头: SUS304, SUS316, PVC, PTFE
隔膜: PTFE
单向阀: SUS304, SUS316, PVC, PTFE
阀球: ZrO2, SUS304, SUS316, 陶瓷
工作条件
环境温度: -30℃ --- 80℃
技术参数
型 号 | 流量 L/h | 压力 MPa | 泵速 min-1 | 膜片直径 mm | 电机 功率 kw | 进出口径 连接方式 | ||
PVC | PTFE | 304/316 | ||||||
KD15/ 0.8 | 15 | 0.8 | 48 | 60 | 0.18 | 6x10 PE 软管 | Rc1/2”内螺纹 | 6x12 接管套焊接 |
KD20 / 0.8 | 20 | 0.8 | 48 | 60 | ||||
KD40 / 0.8 | 40 | 0.8 | 96 | 60 | ||||
KD60 / 0.6 | 60 | 0.6 | 48 | 95 | DN15 接管套 胶接 | 10x16 接管套焊接 | ||
KD80 / 0.6 | 80 | 0.6 | 96 | 95 | ||||
KD120 / 0.5 | 120 | 0.5 | 96 | 95 | ||||
KD180 / 0.5 | 180 | 0.5 | 144 | 95 | ||||
标配电机的电压
380V,特殊电机、过流材质请咨询力高工厂。
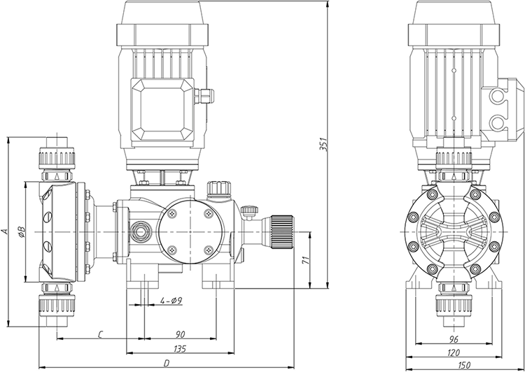
尺寸单位(mm)
型 号 | A | B | C | D |
KD15-40 | 177 | 90 | 101 | 303 |
KD60-180 | 238 | 124 | 109 | 320 |
特点
1. 操作安全,机械驱动隔膜。
2. 密封性好,无泄漏,装配维修简单安全。
3.它可以传输高粘度介质,腐蚀性液体和危险性的化学品。
4.流量调节能够调节冲程长度或电机频率。
5.隔膜为多层复合结构压制而成,第一层超韧性Teflon耐酸薄膜,第二层EPDM弹性橡胶,第三层3.0mmSUS304支撑铁芯,第四层采用强化尼龙纤维补,第五层采用EPDM弹性橡胶完全包履,可有效提出升隔膜适用寿命。
应用
广泛应用于石油化工、化工、电力、冶金、采矿、造船、轻工、农业、国防等工业。
产品介绍
流量范围:0-180 L/H
压力范围: 0-0.8 MPA
电机功率: 180W,220V / 380V / 420V , 50/60Hz
驱动系统: 两相、三相标准电机或防爆电机
流量控制: 手动控制,
防护等级: IP55
材料
泵头: SUS304, SUS316, PVC, PTFE
隔膜: PTFE
单向阀: SUS304, SUS316, PVC, PTFE
阀球: ZrO2, SUS304, SUS316, 陶瓷
工作条件
环境温度: -30℃ --- 80℃
技术参数
型 号 | 流量 L/h | 压力 MPa | 泵速 min-1 | 膜片直径 mm | 电机 功率 kw | 进出口径 连接方式 | ||
PVC | PTFE | 304/316 | ||||||
KD15/ 0.8 | 15 | 0.8 | 48 | 60 | 0.18 | 6x10 PE 软管 | Rc1/2”内螺纹 | 6x12 接管套焊接 |
KD20 / 0.8 | 20 | 0.8 | 48 | 60 | ||||
KD40 / 0.8 | 40 | 0.8 | 96 | 60 | ||||
KD60 / 0.6 | 60 | 0.6 | 48 | 95 | DN15 接管套 胶接 | 10x16 接管套焊接 | ||
KD80 / 0.6 | 80 | 0.6 | 96 | 95 | ||||
KD120 / 0.5 | 120 | 0.5 | 96 | 95 | ||||
KD180 / 0.5 | 180 | 0.5 | 144 | 95 | ||||
标配电机的电压
380V,特殊电机、过流材质请咨询力高工厂。
尺寸单位(mm)
型 号 | A | B | C | D |
KD15-40 | 177 | 90 | 101 | 303 |
KD60-180 | 238 | 124 | 109 | 320 |
特点
1. 操作安全,机械驱动隔膜。
2. 密封性好,无泄漏,装配维修简单安全。
3.它可以传输高粘度介质,腐蚀性液体和危险性的化学品。
4.流量调节能够调节冲程长度或电机频率。
5.隔膜为多层复合结构压制而成,第一层超韧性Teflon耐酸薄膜,第二层EPDM弹性橡胶,第三层3.0mmSUS304支撑铁芯,第四层采用强化尼龙纤维补,第五层采用EPDM弹性橡胶完全包履,可有效提出升隔膜适用寿命。
应用
广泛应用于石油化工、化工、电力、冶金、采矿、造船、轻工、农业、国防等工业。